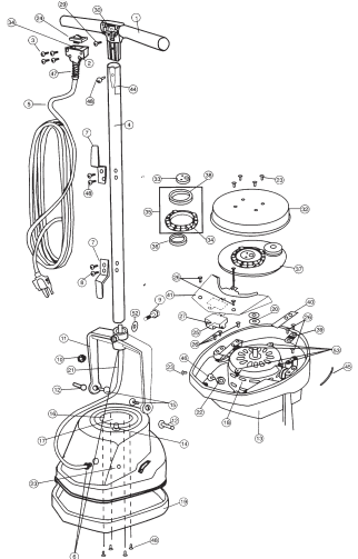
This is a list of parts and a diagram and schematic for: Oreck Model: ORB550MC
Vacuums R Us & Sewing Too provides vacuum cleaner and carpet cleaner parts and accessories for vacuum cleaner repair purposes. We are committed to delivering high-quality components, but it is important to note that all appliance repairs involve risks, and we cannot guarantee the outcome of your repair. When using our vacuum parts for repairs, you accept the terms and conditions HERE
Parts for: ORB550MC Orbitor

| # | Part image | Description | SKU | Price |
| 2 | ![]() | Cover, :( Switch Orbiter 550MC Part Number: 53258-01-0327 for Oreck | 53258010327 | $9.98Read more |
| 3 | Not Available | Oreck Screw - cover switch, | FNLA | Not Available |
| 4 | Not Available | Oreck Tube | 5314102 | Not Available |
| 5 | Not Available | Oreck Power cord, black 30 | 5314601327 | Not Available |
| 6 | Not Available | Oreck Strain relief | 30052001 | Not Available |
| 7 | Not Available | Oreck Cord hooks | 5314701 | Not Available |
| 8 | ![]() | REVERSE LINK sewing machine part or accessory | 730045001 | $1.00Add to cart Product is special order please allow 2-4 weeks for delivery. |
| 9 | Not Available | Oreck Bolt - handle 1/4 x 20 x 1 7/8 | FNLA | Not Available |
| 10 | Not Available | Oreck Nut - handle 1/4 x 20 lock | 30052601 | Not Available |
| 11 | Not Available | Oreck Yoke | 5314801 | Not Available |
| 12 | Not Available | Oreck Handle pin | 30052901 | Not Available |
| 13 | Not Available | Oreck Main body housing | 5314902 | Not Available |
| 14 | Not Available | Oreck Reset button, red | 5315001451 | Not Available |
| 15 | Not Available | Oreck Delrin bushing | 5323701 | Not Available |
| 16 | No Image | Cover, Painted Grill/Motor Orbiter Part Number: 53151-01 for Oreck | 5315101 | $36.09Read more |
| 17 | Not Available | Oreck Label, round | 5323901 | Not Available |
| 20 | Not Available | Oreck Washer - motor spacer, flat 3/8' ID | FNLA | Not Available |
| 21 | Not Available | Oreck Pigtail | 5316901 | Not Available |
| 22 | Not Available | Oreck Nuts (secure ground wire), | 30053301 | Not Available |
| 23 | Not Available | Oreck Screw | FNLA | Not Available |
| 24 | ![]() | NO LONGER AVAILABLE Switch, :( Black/Red Rocker 3 Leads ORB550 Part Number: 53156-01 for Oreck | 5315601 | $11.36Read more |
| 25 | Not Available | Oreck Motor Relay Orbiter | 5315701 | Not Available |
| 26 | Not Available | Oreck Screw | 30053501 | Not Available |
| 27 | Not Available | Oreck Plastic rivet nylon | 30053601 | Not Available |
| 29 | Not Available | Oreck Ground screw, | FNLA | Not Available |
| 30 | Not Available | Oreck Brass insert | FNLA | Not Available |
| 32 | ![]() | Pan, Bottom Orbiter ORB550 Part Number: 430001168 for Oreck | 430001168 | $28.94Add to cart Product is special order please allow 2-4 weeks for delivery. |
| 33 | Not Available | Oreck Plug bearing | 5316001 | Not Available |
| 35 | Not Available | Oreck Retainer bearing & ball bearing assembly | 95326651 | Not Available |
| 36 | Not Available | Oreck Spacer | 5316301 | Not Available |
| 37 | Not Available | Oreck Flywheel | 5316401 | Not Available |
| 38 | No Image | Screw, 3/4-20 x3/4 Flat Heat Part Number: 03-00537-01M for Oreck | 030053701M | $70.48Read more |
| 38 | ![]() | Oreck Orbiter bearing | 5316101 | $43.99Read more |
| 39 | Not Available | Oreck Pillow block (yoke pin holder) | 5316501 | Not Available |
| 40 | Not Available | Oreck Spring | 5316601 | Not Available |
| 41 | Not Available | Oreck Plate cover | 5316701 | Not Available |
| 44 | Not Available | Oreck Warning label | 5317201 | Not Available |
| 45 | Not Available | Oreck Cable tie | 30040401 | Not Available |
| 46 | Not Available | Oreck Nut with external tooth washer (ground wire) | FNLA | Not Available |
| 47 | Not Available | Oreck Strain relief | 30052201 | Not Available |
| 52 | Not Available | Oreck Washer, 1/4' flat | FNLA | Not Available |
| 53 | Not Available | Oreck Bolt, motor | FNLA | Not Available |
Report errors on this page HERE





