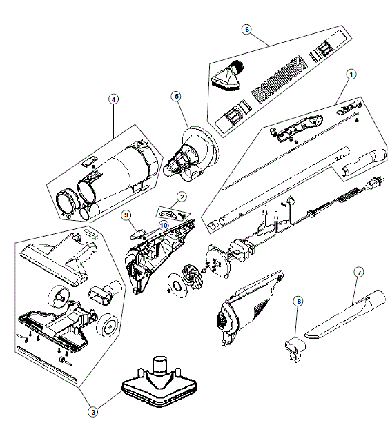
This is a list of parts and a diagram and schematic for: Dirt Devil Model: 083410
Vacuums R Us & Sewing Too provides vacuum cleaner and carpet cleaner parts and accessories for vacuum cleaner repair purposes. We are committed to delivering high-quality components, but it is important to note that all appliance repairs involve risks, and we cannot guarantee the outcome of your repair. When using our vacuum parts for repairs, you accept the terms and conditions HERE
Parts for: Swift Stick Vac

| # | Part image | Description | SKU | Price |
| 01 | Not Available | Dirt Devil Handle Assembly | 2SQ0200000 | Not Available |
| 02 | Not Available | Dirt Devil b, Lower Cord Hook / Handle Screw | 2SQ0100000 | Not Available |
| 03 | Not Available | Dirt Devil Nozzle Assembly | 2SQ0300000 | Not Available |
| 04 | Not Available | Dirt Devil b, Dirt Cup Assembly | 2SQ0105000 | Not Available |
| 05 | Not Available | Dirt Devil F-10 / Filter Assembly | 3SQ0950000 | Not Available |
| 06 | Not Available | Dirt Devil b, Hose & Dust Brush Assembly | 2SQ0400000 | Not Available |
| 07 | Not Available | Dirt Devil Crevice Tool | 1SQ0430600 | Not Available |
| 08 | Not Available | Dirt Devil b, Crevice Tool Holder | 1SQ0435600 | Not Available |
| 09 | Not Available | Dirt Devil Release Button | 1SQ0120000 | Not Available |
| 10 | Not Available | Dirt Devil b, Release Button Spring | 1SQ0125000 | Not Available |
Report errors on this page HERE
